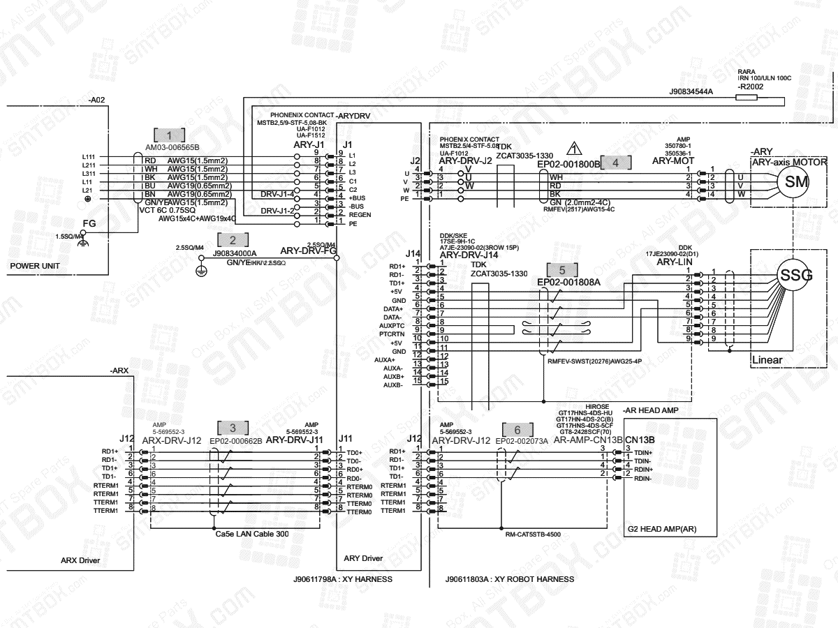
#1. P/N: AM03-006565B | Part Name: Cable ASSY Ary Servo DRV | Qty: 1
#2. P/N: J90834000A | Part Name: ARY PE Cable V1 Base 012 | Qty: 1
#3. P/N: EP02-000662B | Part Name: Hardness AR Synqnet Cable 300 | Qty: 1 | Remarks: EP02-000662A
#4. P/N: EP02-001800B | Part Name: Hardness ARY Motor PW Cable ASSY | Qty: 1
#5. P/N: EP02-001808A | Part Name: Hardness ARY Driver ENC Cable ASSY | Qty: 1
#6. P/N: EP02-002073A | Part Name: Hardness ARY Synqnet IN Robot Cable| Qty: 1
