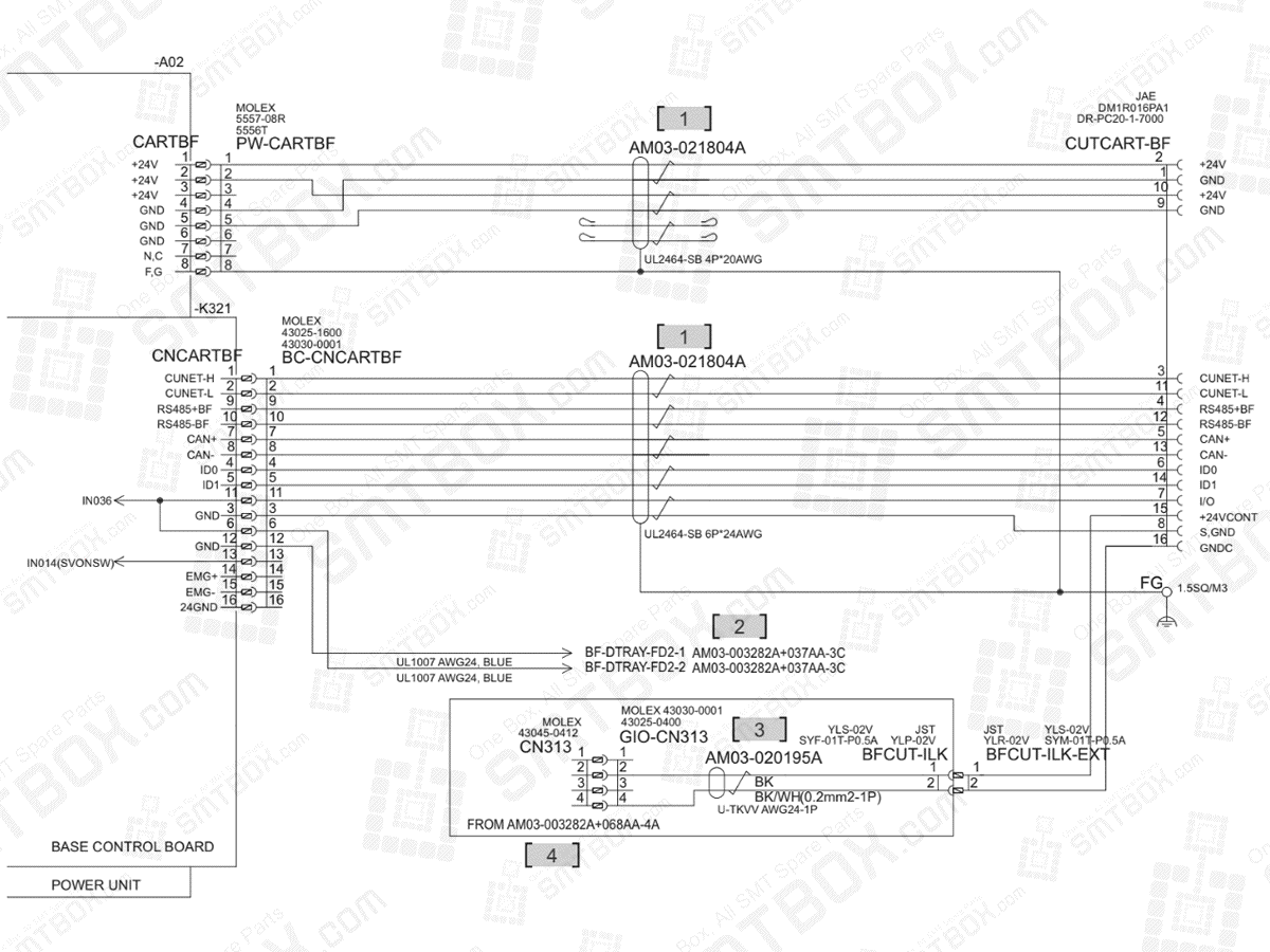
#1. P/N: AM03-021804A | Part name: Cable Assy Bf Cut Cart Comunicationcable | Qty: 2
#2. P/N: AM03-003282A | Part name: Assy Electric Hsh V1 Base Harness | Qty: 2
#3. P/N: AM03-020195A | Part name: Cable Assy Bf Cuter Ilk Cable Assy | Qty: 1
#4. P/N: AM03-003282A | Part name: Assy Electric-Hsh V1 Base Harness | Qty: 1
