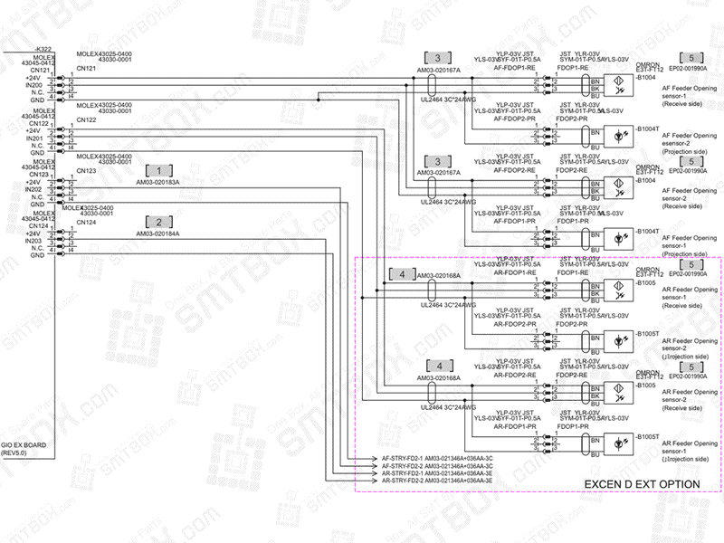
#1. P/N: AM03-020183A | Part name: Cable ASSY AF Tray Connect Cable ASSY | Qty: 1
#2. P/N: AM03-020184A | Part name: Cable ASSY AR Tray Connect Cable ASSY | Qty: 1
#3. P/N: AM03-020167A | Part name: Cable ASSY AF Feeder Open SEN Cable | Qty: 1
#4. P/N: AM03-020168A | Part name: Cable ASSY AR Feeder Open SEN Cable | Qty: 1
#5. P/N: EP02-001990A | Part name: Harness FDR Unlock 2 SNS Cable ASSY | Qty: 4
