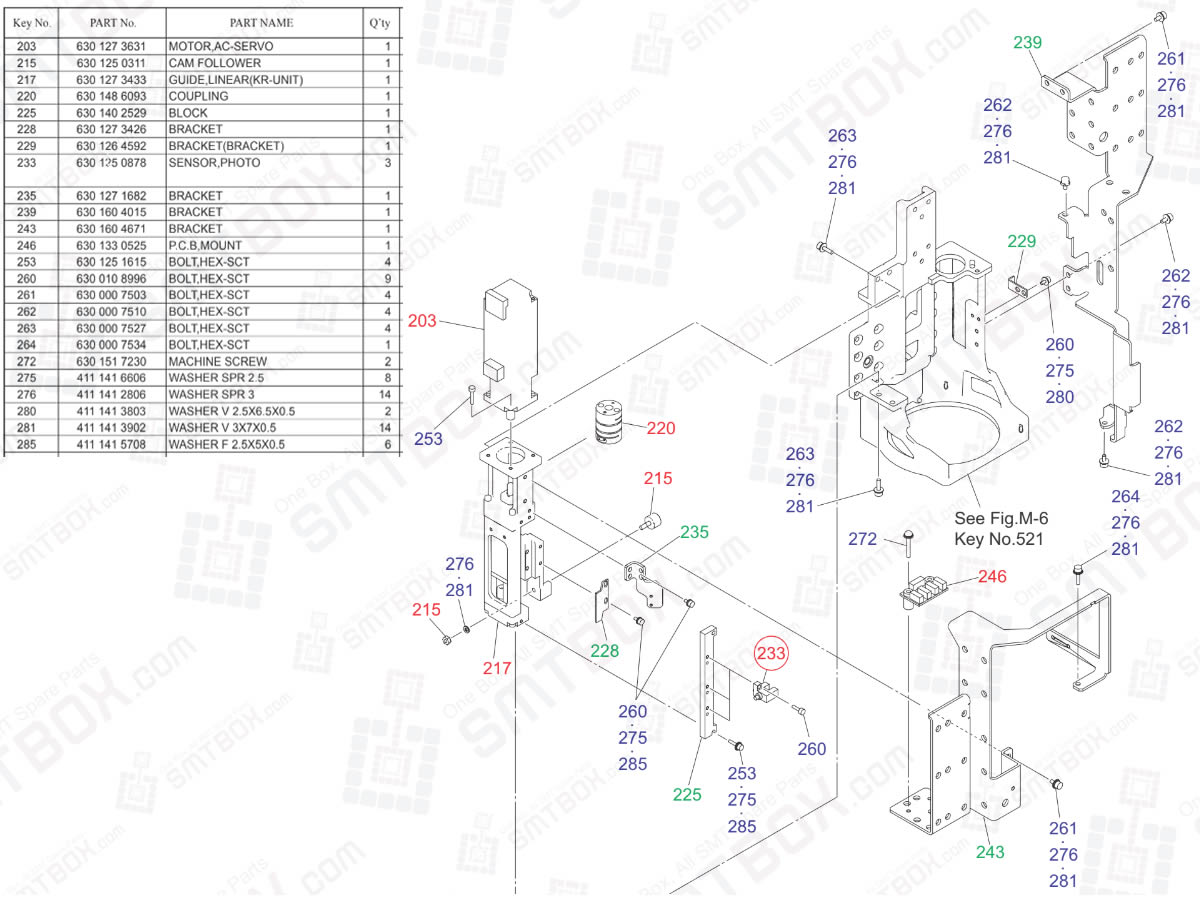
#203. P/N: 630 127 3631 | Motor Ac-Servo -M33
#215. P/N: 630 125 0311 | Cam Follower Cf3Wbuur
#217. P/N: 630 127 3433 | Guide Linear(Kr-Unit)
#220. P/N: 630 148 6093 | Coupling
#225. P/N: 630 140 2529 | Block
#228. P/N: 630 127 3426 | Bracket
#229. P/N: 630 126 4592 | Bracket(Bracket)
#233. P/N: 630 125 0878 | Sensor Photo -B3102 -B3104 -B3105 Pm-F24
#235. P/N: 630 127 1682 | Bracket
#239. P/N: 630 160 4015 | Bracket
#243. P/N: 630 160 4671 | Bracket
#246. P/N: 630 133 0525 | P.C.B Mount -U147
#253. P/N: 630 125 1615 | Bolt Hex-Sct M2.5X10
#260. P/N: 630 010 8996 | Bolt Hex-Sct 9 M2.5X6
#261. P/N: 630 000 7503 | Bolt Hex-Sct M3X6
#262. P/N: 630 000 7510 | Bolt Hex-Sct M3X8
#263. P/N: 630 000 7527 | Bolt Hex-Sct M3X10
#264. P/N: 630 000 7534 | Bolt Hex-Sct M3X12
#272. P/N: 630 151 7230 | Machine Screw
#275. P/N: 411 141 6606 | Washer Spr 2.5
#276. P/N: 411 141 2806 | Washer Spr 14
#280. P/N: 411 141 3803 | Washer V 2.5X6.5X0.5
#281. P/N: 411 141 3902 | Washer V 3X7X0.5
#285. P/N: 411 141 5708 | Washer F 2.5X5X0.5
