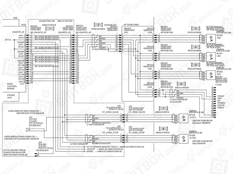
#1. P/N: AM03-014641C | Part name: Cable ASSY CNCNTR AF TRI, 2ND EXT Cable | Qty: 1 | Old Part Number: AM03-014641B
#2. P/N: EP02-001687A | Part name: Harness AF PCB Detection Sensor Cable | Qty: 1
#3. P/N: EP02-002070A | Part name: Harness PCB Detection S2 SEN Cable | Qty: 1
#4. P/N: EP02-002070A | Part name: Harness PCB Detection S2 SEN Cable | Qty: 1
#5. P/N: EP02-002070A | Part name: Harness PCB Detection S5 SEN Cable | Qty: 1
#6. P/N: AM03-018443A | Part name: Cable ASSY New Front FDR PW Check Cable | Qty: 1
#7. P/N: AM03-014971A | Part name: Cable ASSY Center CONV Slowdown SNS CAB | Qty: 1
#8. P/N: AM03-014972A | Part name: Cable ASSY Center CONV STOP SNS Cable | Qty: 1
