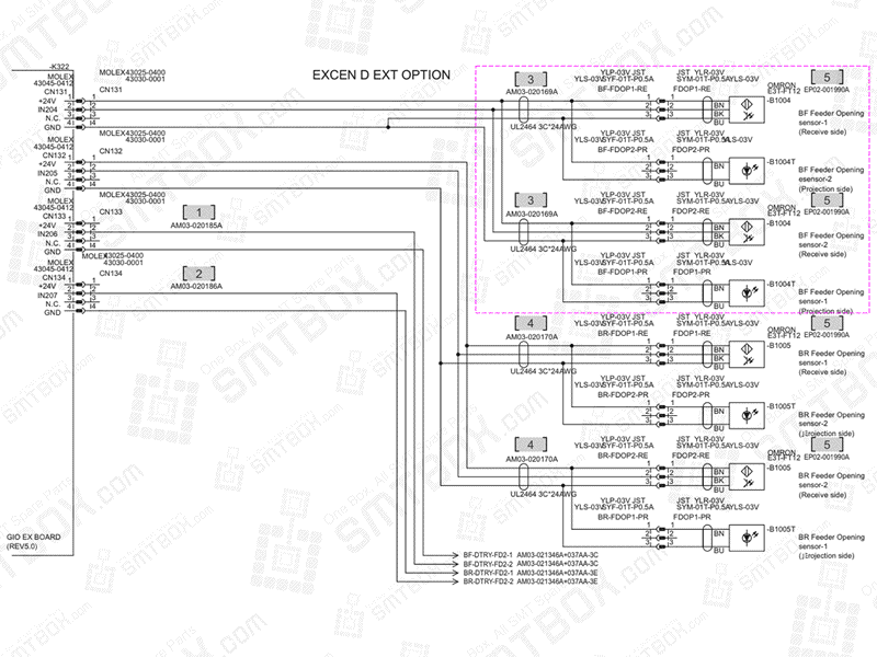
#1. P/N: AM03-020185A | Part name: Cable ASSY BF Tray Connect Cable ASSY | Qty: 1
#2. P/N: AM03-020186A | Part name: Cable ASSY BR Tray Connect Cable ASSY | Qty: 1
#3. P/N: AM03-020169A | Part name: Cable ASSY BF Feeder Open SEN Cable | Qty: 1
#4. P/N: AM03-020170A | Part name: Cable ASSY BR Feeder Open SEN Cable | Qty: 1
#5. P/N: EP02-001990A | Part name: Harness FDR Unlock 2 SNS Cable ASSY | Qty: 4
