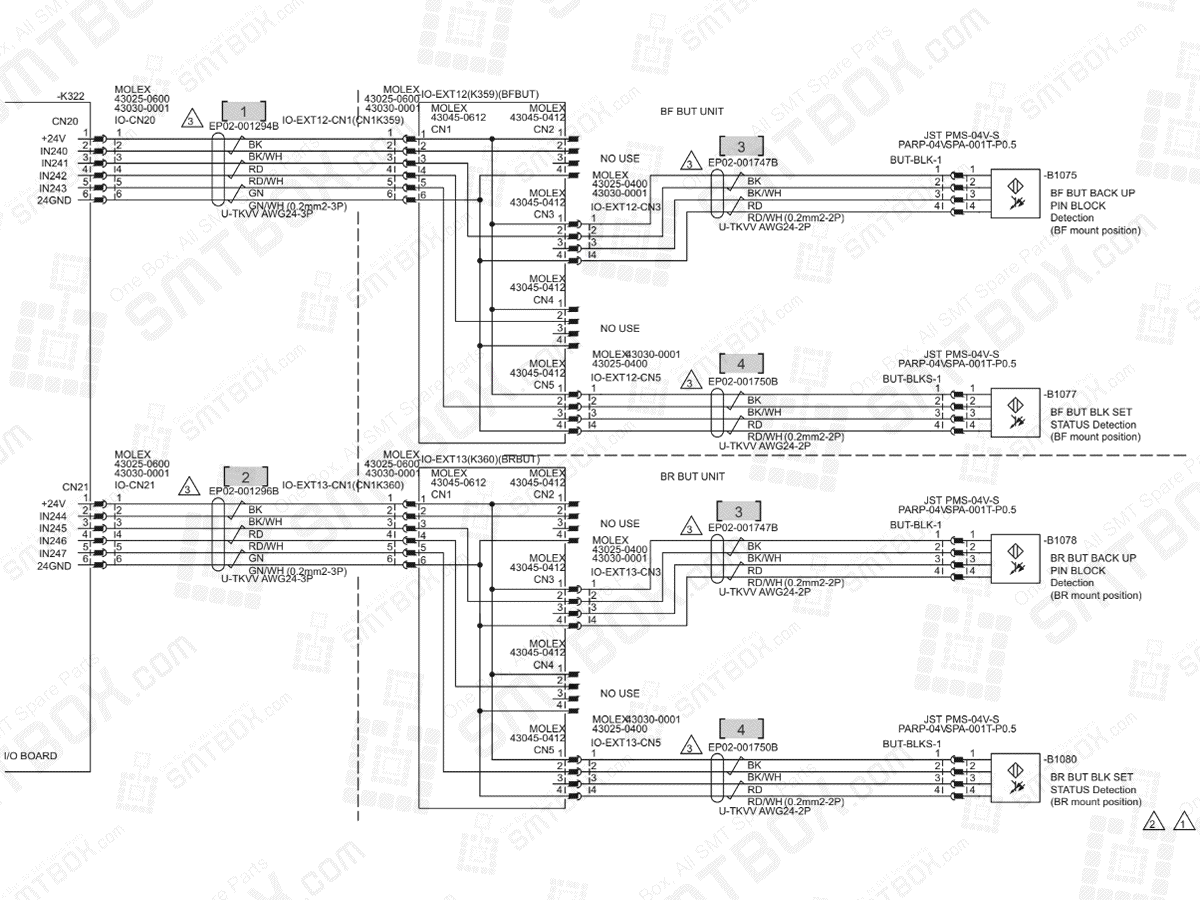
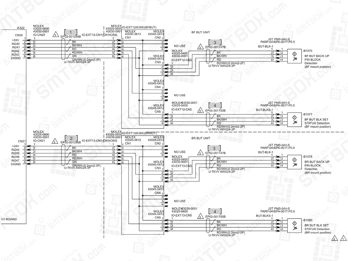
#1. P/N: EP02-001294B | Part name: Harness IO CN19 Connect Cable | Qty: 1
#2. P/N: EP02-001296C | Part name: Harness IO CN21 Connect Cable | Qty: 1 | Remarks: EP02-001296B
#3. P/N: EP02-001747B | Part name: Harness BUT Block Sensor Cable | Qty: 2
#4. P/N: EP02-001750B | Part name: Harness BUT Block Set Sensor Cable | Qty: 2
