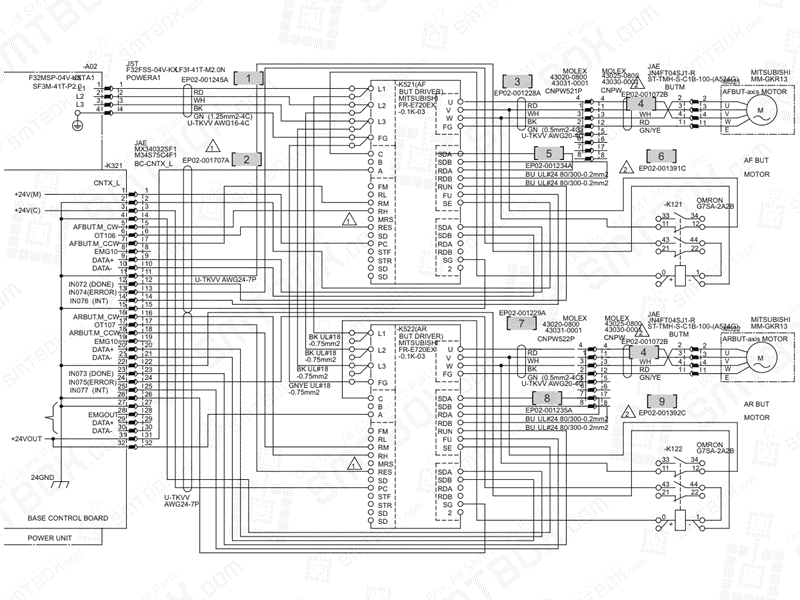
#1. P/N: EP02-001245A | Part name: Hardness A STAGE BUT Driver Cable | Qty: 1
#2. P/N: EP02-001707A | Part name: Hardness A STAGE BUT Motor Cable | Qty: 1
#3. P/N: EP02-001228A | Part name: Hardness V1 AF BUT Motor Cable | Qty: 1
#4. P/N: EP02-001072C | Part name: Hardness BUT Motor Cable | Qty: 2 | Remarks: EP02-001072B
#5. P/N: EP02-001234A | Part name: Hardness AF BUT Driver SHORT Cable | Qty: 1
#6. P/N: EP02-001391C | Part name: Hardness AF BUT RELAY Cable | Qty: 1 | Remarks: EP02-001391B
#7. P/N: EP02-001229A | Part name: Hardness V1+AR BUT MOTOT Cable | Qty: 1
#8. P/N: EP02-001235A | Part name: Hardness AR BUT Driver SHORT Cable | Qty: 1
#9. P/N: EP02-001392C | Part name: Hardness AR BUT RELAY Cable | Qty: 1 | Remarks: EP02-001392B
