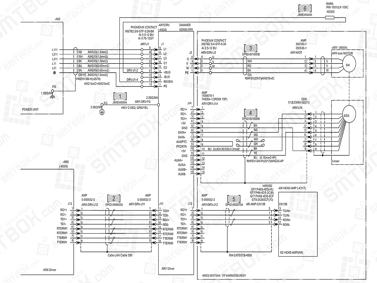
#1. P/N: J90834000A | Part name: Ary Pe Cable V1 Base 012 | Qty: 1
#2. P/N: EP02-000662B | Part name: Harness Ar Synqnet Cable 300 | Qty: 1 | Old P/N: Ep02-000662A
#3. P/N: EP02-001800B | Part name: Harness Ary Motor Pw Cable Assy | Qty: 1
#4. P/N: EP02-001808A | Part name: Harness Ary Driver Enc Cable Assy | Qty: 1
#5. P/N: EP02-002073A | Part name: Harness Ary Synqnet In Robot Cable | Qty: 1
#6. P/N: J90834544A | Part name: Regen Resister Assy V1 Base 202 | Qty: 1
