
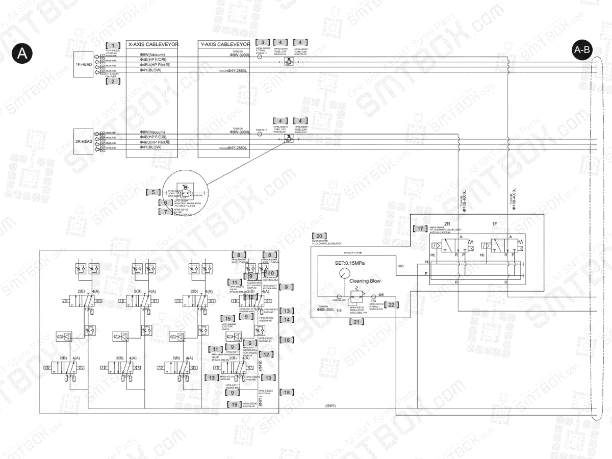
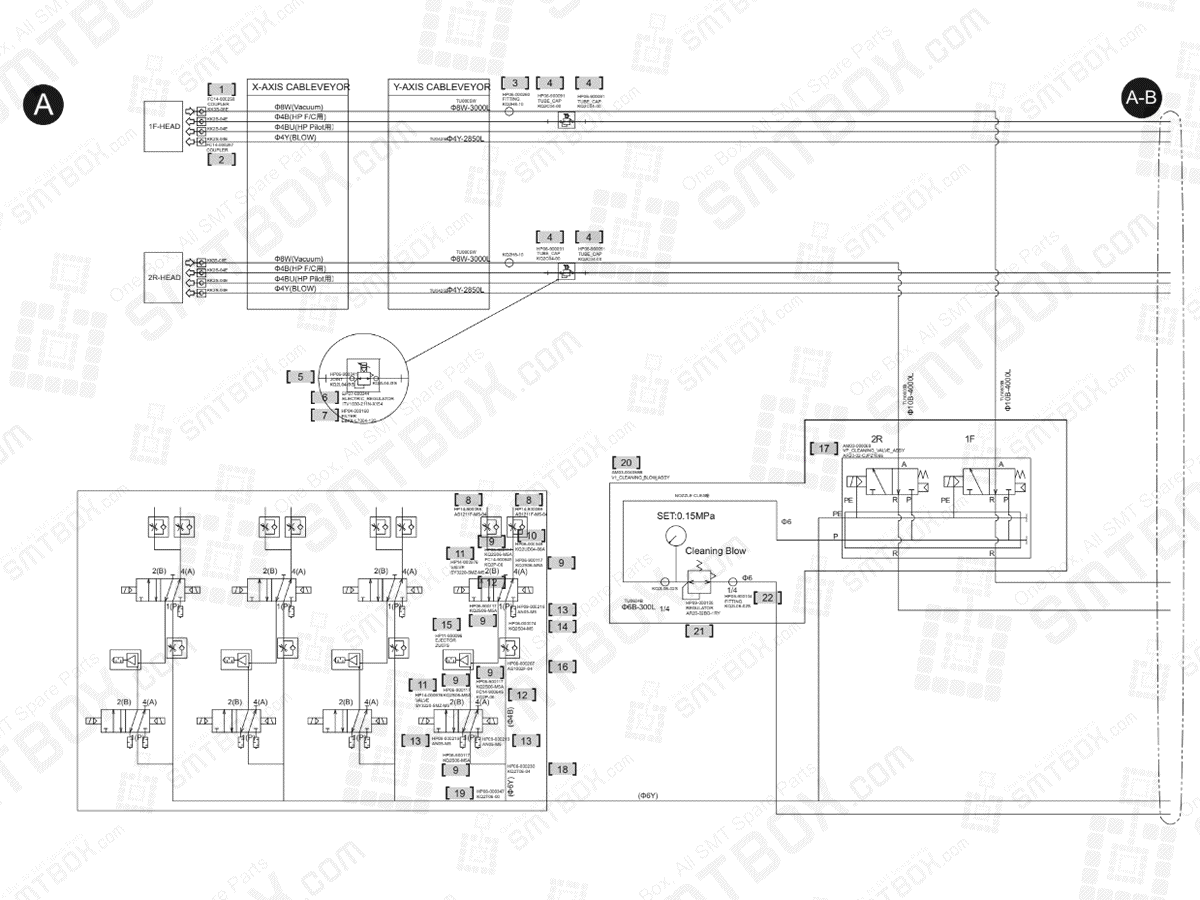
#1. P/N: FC14-000258 | Part name: Coupler Coupler Kk3S 08E Kk3S 08E | Qty: 1
#2. P/N: FC14-000257 | Part name: Coupler Coupler Kk2S 04E Kk2S 04E | Qty: 3
#3. P/N: HP06-000260 | Part name: Fitting Kq2H8 10 Kq2H8 10 Straight Type | Qty: 2
#4. P/N: HP06-900091 | Part name: Fitting Tube Cap Kq2C04 00A | Qty: 4
#5. P/N: HP06-900041 | Part name: Joint Kq2L04 01S | Qty: 4
#6. P/N: EP07-000344 | Part name: Regulator Electric Itv1030 211N X154 Smc | Qty: 2
#7. P/N: HP04-000160 | Part name: Filter Air Ebkx L7004 120 Smc | Qty: 2
#8. P/N: HP14-900088 | Part name: Speed Controller[As1211F M5 04] | Qty: 2
#9. P/N: HP06-900117 | Part name: Fitting Kq2S06 M5 | Qty: 24
#10. P/N: HP06-000348 | Part name: Fitting Kq2Ud04 06A Union One Touch 6 4 | Qty: 4
#11. P/N: HP14-000976 | Part name: Valve Solenoid Valve Tc Ad Pressure M5 | Qty: 8
#12. P/N: FC14-900645 | Part name: Plug Kq2P 06 | Qty: 8
#13. P/N: HP09-000219 | Part name: Silencer An05 M5 Thread | Qty: 12
#14. P/N: HP06-000074 | Part name: Fitting Straight Fitting Kq2S04 M5N Onet | Qty: 4
#15. P/N: HP11-900096 | Part name: Vacuum Generator Zu07S | Qty: 4
#16. P/N: HP06-000267 | Part name: Fitting As1002F 04 Speed Controller | Qty: 4
#17. P/N: AM03-000069 | Part name: Assy Air Vp Clealing Valve Assy | Qty: 1
#18. P/N: HP06-000230 | Part name: Fitting Kq2T06 04 One Touch T 8 | Qty: 4
#19. P/N: HP06-000347 | Part name: Fitting Kq2T06 00A Tee One Touch 6 | Qty: 4
#20. P/N: AM03-004068B | Part name: Assy Air V1 Cleanning Blow Assy | Qty: 1
#21. P/N: HP09-000105 | Part name: Regulator Regulator Ar20 02Bg 1Ry 0.2Mpa | Qty: 1
#22. P/N: HP06-900104 | Part name: Fitting Kq2L06 02S | Qty: 1

#1. P/N: TE07-000100 | Part name: Gauge Pressure Meter | Qty: 1
#2. P/N: HP06-900043 | Part name: Joint Kq2F04 01 | Qty: 1
#3. P/N: AM03-001113 | Part name: Assy Air Mted Blowreg Arp20 02 Cjuz0204 | Qty: 1
#4. P/N: HP06-000408 | Part name: Fitting Kq2L04 02As | Qty: 1
#5. P/N: HP06-900041 | Part name: Joint Kq2L04 01S | Qty: 4
#6. P/N: HP09-000104 | Part name: Regulator Regulator Arp20 02B Ry 0.2Mpa | Qty: 1
#7. P/N: HP06-900276 | Part name: Fitting [Kq2L08 02S] | Qty: 1
#8. P/N: TE07-900096 | Part name: Meter Gz46 K 01 C1 | Qty: 1
#9. P/N: HP06-900046 | Part name: Joint Kq2R04 08 | Qty: 2
#10. P/N: HP06-900125 | Part name : Fitting Kq2Vt08 03S | Qty: 2
#11. P/N: HP13-000042 | Part name : Tube Nylon Tube N2 4 12X9 Mw 12 Od12/Id9 | Qty: 2
#12. P/N: FC28-000105 | Part name : Nipple Straight Nipple M3/8 Id9.5 Brass | Qty: 1
#13. P/N: HP06-000259 | Part name : Fitting Qsl 14 10 Elbow Type Qsl 14 10 | Qty: 2
#14. P/N: FC28-000110 | Part name : Nipple Npfb R G12 G14 Mf | Qty: 4
#15. P/N: MC21-000022 | Part name : Tank Air Crvzs 2 | Qty: 2
#16. P/N: HP06-000258 | Part name : Fitting Qsl 14 8 Elbow Type Qsl 14 8 8 | Qty: 2
#17. P/N: HP11-000059 | Part name : Pump Pump Kha400A 301 G1 | Qty: 1
#18. P/N: HP06-000101 | Part name : Fitting Kq2X06 08 Onetouch ?6X?8 | Qty: 1
#19. P/N: FC18-000785 | Part name : Plug Kpt38 Sts Hex Rc3/8 10 Wht Rc3/8 Wh | Qty: 1
#20. P/N: HP06-000253 | Part name : Fitting Plug Kq2Xd04 06 | Qty: 1
#21. P/N: FC14-900644 | Part name : Plug Kq2P 08 | Qty: 1
#22. P/N: HP09-000012 | Part name : Manifold Manifold Km12 08 03 10 Et1 Etc. | Qty: 1
#23. P/N: HP06-900042 | Part name : Joint Rni3/8X1/4 | Qty: 1
#24. P/N: HP14-900110 | Part name : Valve Vp344 4Dz1 02A | Qty: 1
#25. P/N: HP06-000278 | Part name : Fitting Qs E M5 4 I C Straight Fitting | Qty: 1
#26. P/N: HP09-900164 | Part name : Silencer [An20 02] | Qty: 1
#27. P/N: HP09-000150 | Part name : Components Electric Spabt P10 R18 2N K1 | Qty: 1
#28. P/N: HP06-900040 | Part name : Joint Sl3/8 | Qty: 1
#29. P/N: AM03-001112 | Part name : Assy Air Mted Mainreg Awm3003Bdcjuz0183 | Qty: 1
#30. P/N: EP05-900319 | Part name : Plug 30Pm | Qty: 1
#31. P/N: FC14-900821 | Part name : Socket 80Sn | Qty: 1
#32. P/N: HP09-900133 | Part name : Mist Separator Reg Awm30 03Bd | Qty: 1
#33. P/N: HP13-000045 | Part name : Tube Pneumatic Air Tube Mm Straight 12 8 | Qty: 1
#34. P/N: EP05-900318 | Part name : Plug 80Pn | Qty: 1
#35. P/N: HP06-900179 | Part name : Fitting Kce06 00 | Qty: 2

#1. P/N: HP03-000011 | Part name: Cylinder Cylinder Aq2D40 75D 1Mpa 75 | Qty: 1
#2. P/N: HP06-900152 | Part name: T Union Kq2T06 00 | Qty: 1
#3. P/N: HP03-000012 | Part name: Cylinder Cylinder Adq2D40 75D 1Mpa 75 | Qty: 1
#4. P/N: HP03-000013 | Part name: Cylinder Cylinder Aq2B50 50D 1Mpa 50 | Qty: 1
#5. P/N: HP06-900232 | Part name: Spicon As2201F 02 06S | Qty: 2
#6. P/N: HP14-000193 | Part name: Valve Solenoid Solvalve Cc Cut | Qty: 1
#7. P/N: HP14-900111 | Part name: Speed Controller J67031032A | Qty: 2
#8. P/N: HP03-900110 | Part name: Cylinder Cduj10 8 J67011121A | Qty: 1
#9. P/N: HP14-002053 | Part name: Valve Solenoid Mted Solvalve Anc | Qty: 1

#1. P/N: HP03-001025 | Part name: Cylinder Cq2A25 40 Cjtc1033 1.0Mpa 40Mm | Qty: 1
#2. P/N: HP14-002037 | Part name: Valve Solenoid Ss5Y3-20-Cjtz1112 | Qty: 1
