
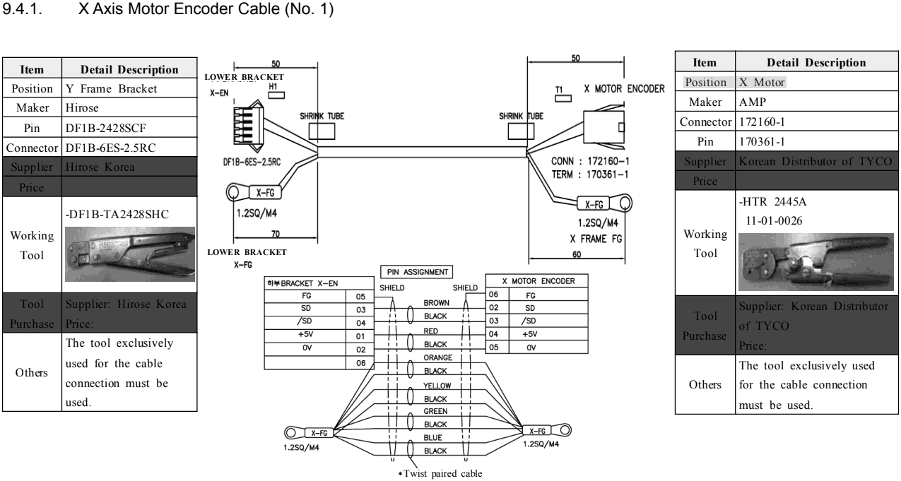
Position: Y Frame Bracket
Maker: Hirose
Pin: DF1B-2428SCF
Connector: DF1B-6ES-2.5RC
Working Tool: DF1B-TA2428SHC
Others: The tool exclusively used for the cable connection must be used.
Position: X Motor
Maker: AMP
Connector: 172160-1
Pin: 170361-1
Working Tool: HTR 2445A 11-01-0026
Others: The tool exclusively used for the cable connection must be used.