SME 24mm IT Electric Tape Feeder P/N: SBFB51105K
SME 24mm NONIT Electric Tape Feeder P/N: SBFB34100K

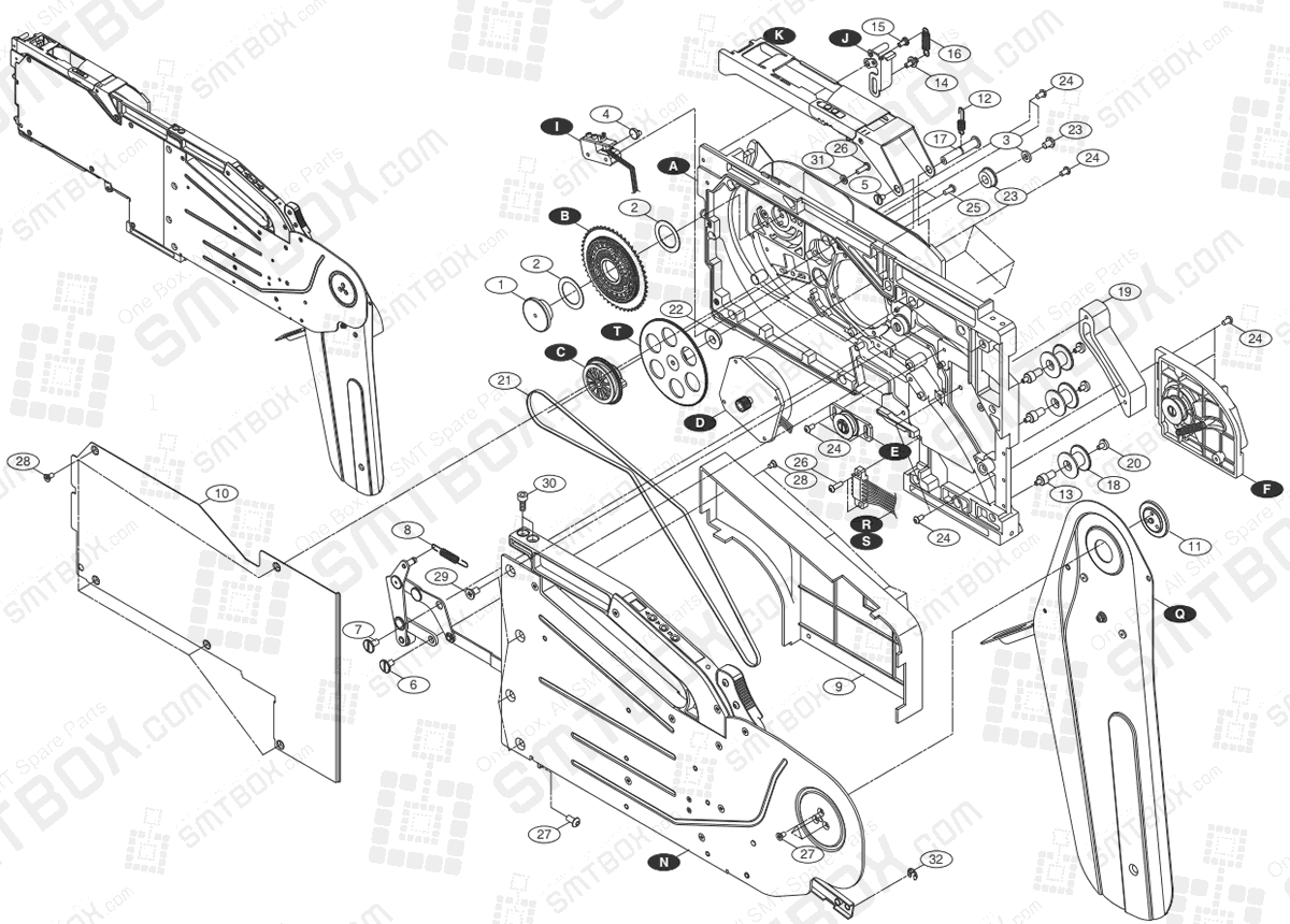
#1 P/N: S70000088A | Sprocket Shaft
#2 P/N: S73000001A | Sprocket Washer
#3 P/N: S70000089A | Drop Gear Washer 2
#4 P/N: S70000090A | Sensor Adjust Cam
#5 P/N: S70000091A | Tape Guide Fix Bolt
#6 P/N: J70660008C | T Link1 Shaft1
#7 P/N: J70660001B | T Link4 Shaft1
#8 P/N: S70000092A | Toggle Spring
#9 P/N: S72000044A | Main Board Cover
#10 P/N: S70000093A | Driving Part Cover
#11 P/N: J7066079A | Reel Plate Shaft
#12 P/N: S70000095A | Tape Guide Cushion Spring
#13 P/N: S70000100A | Vinyl Guide Roller Shaft 24
#14 P/N: J70652728A | Locker Link Post
#15 P/N: J70652717A | Locker Slot Pin
#16 P/N: J7066140A | Locker Spring
#17 P/N: S70000099A | Tape Guide Shaft 24
#18 P/N: S72000047A | Vinyl Guide Roller 24
#19 P/N: S71000042A | Vinyl Roller Protector 24
#20 P/N: S70000101A | Vinyl Guide Roller Shaft Bolt
#21 P/N: S66020001A | Timming Belt
#22 P/N: S66010001A | Bearing
#23 P/N: S66010002A | Bearing
#24 P/N: S60050001A | Bhcs
#25 P/N: S60050002A | Bhcs
#26 P/N: S60050003A | Bhcs
#27 P/N: S60050005A | Bhcs
#28 P/N: S60060004A | Fhcs
#29 P/N: S60060006A | Fhcs
#30 P/N: S60010003A | Shcs
#31 P/N: S60420001A | Flat Washer
#32 P/N: S60710002A | Snap Ring