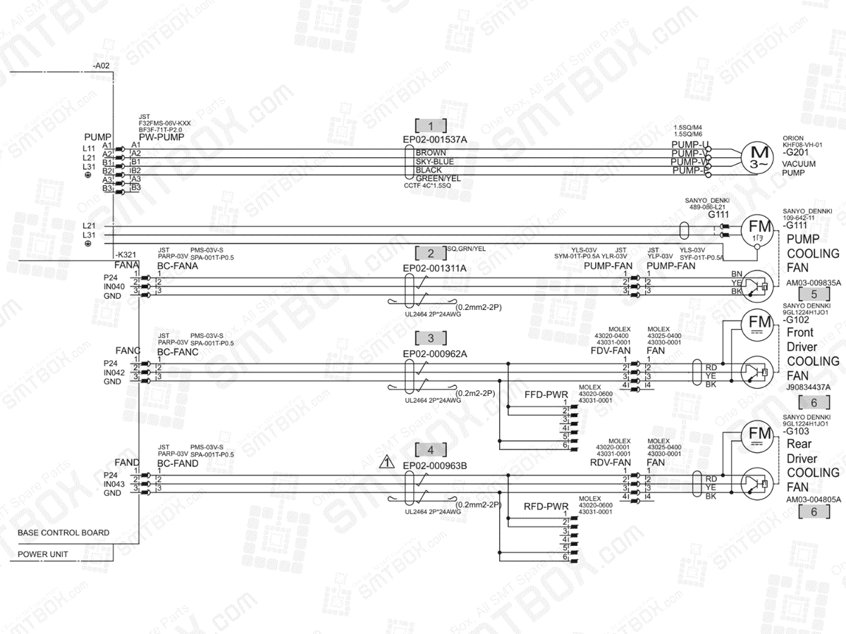
#1. P/N: AM03-021096A | Part name: Cable Assy Mted Vacuum Pump Power Cable | Qty: 1
#2. P/N: EP02-001311A | Part name: Harness Vac Pump Fan Alm Cable | Qty: 1
#3. P/N: EP02-000962A | Part name: Harness Front Drv Cooling Fan Alm Cabl | Qty: 1
#4. P/N: EP02-000963B | Part name: Harness Rear Drv Cooling Fan Alm Cable | Qty: 1
#5. P/N: AM03-010501A | Part name: Pump Cooling Fan Cable Assy V1 Base 151 | Qty: 1
#6. P/N: AM03-004805A | Part name: Cover Fan Cable Assy V1 Base 150 | Qty: 1
