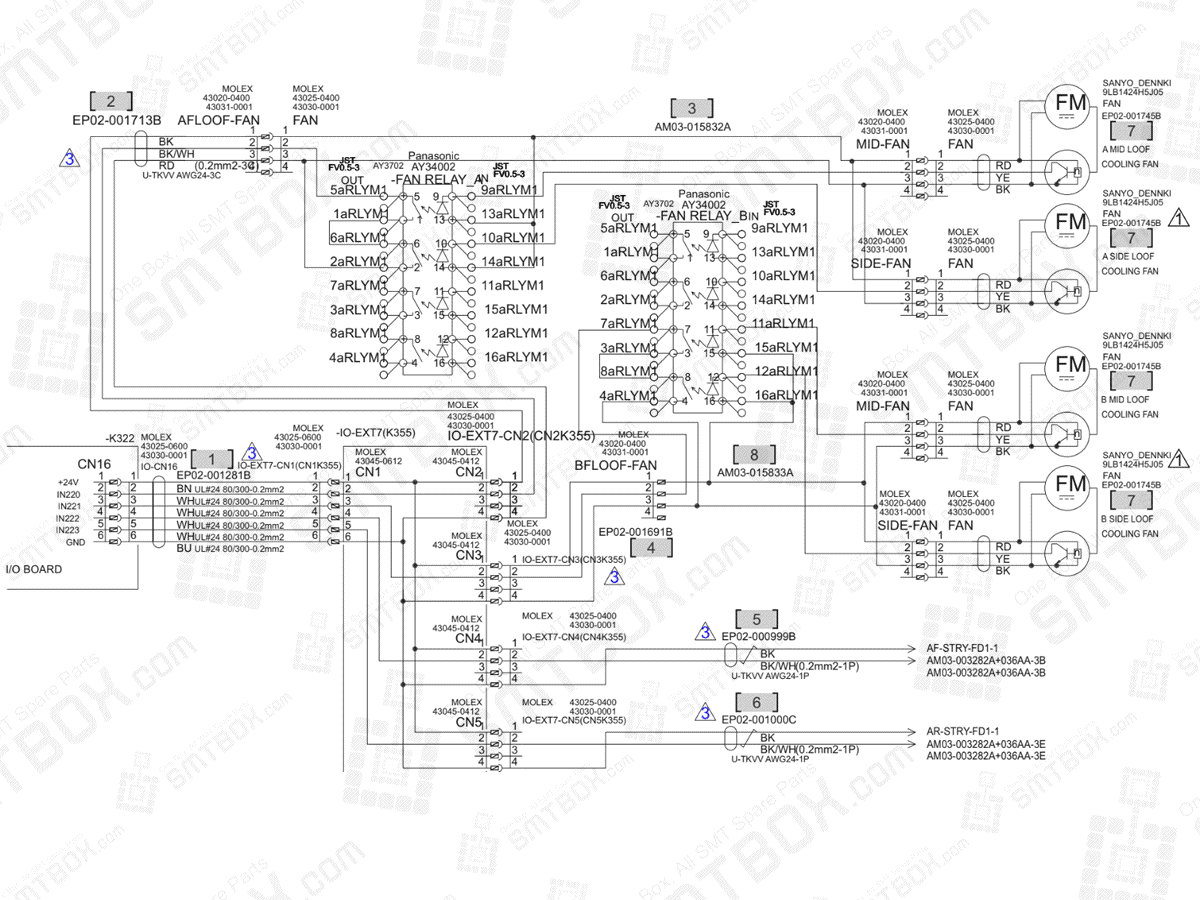
#1. P/N: EP02-001281B | Part name: Hardness IO CN16 Connect Cable | Qty: 1
#2. P/N: EP02-001713B | Part name: Hardness Front LooF Fan Cable | Qty: 1
#3. P/N: AM03-015832A | Part name: ALOOF FAN Relay Cable ASSY | Qty: 1
#4. P/N: EP02-001691B | Part name: Hardness Rear Loof Cooling Fan Cable | Qty: 1
#5. P/N: EP02-000999B | Part name: Hardness Aftray Connect Cable ASSY | Qty: 1
#6. P/N: EP02-001000C | Part name: Hardness AR Tray Connect Cable ASSY | Qty: 1
#7. P/N: EP02-001745B | Part name: Hardness V1+ NEW LooF Fan Cable ASSY | Qty: 4
#8. P/N: AM03-015833A | Part name: Bloof Fan Relay Cable ASSY | Qty: 1
