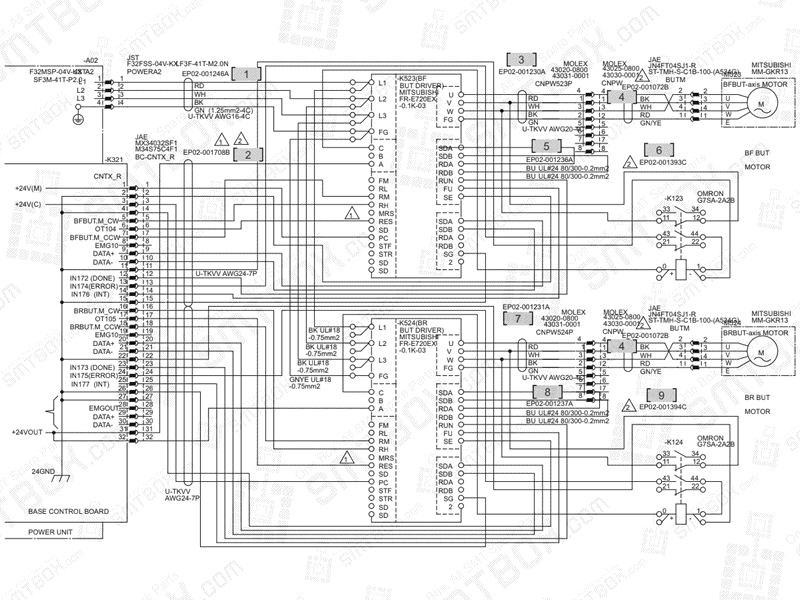
#1. P/N: EP02-001246A Hardness B Stage BUT Driver Cable | Qty: 1
#2. P/N: EP02-001708B Hardness B Stage BUT Motor Cable | Qty: 1
#3. P/N: EP02-001230A Hardness V1 BF BUT Motor Cable | Qty: 1
#4. P/N: EP02-001072C Hardness BUT Motor Cable | Qty: 2 | Remarks: EP02-001072B
#5. P/N: EP02-001236A Hardness BF BUT Driver Short Cable | Qty: 1
#6. P/N: EP02-001393C Hardness BF BUT Relay Cable | Qty: 1 | Remarks: EP02-001393B
#7. P/N: EP02-001231A Hardness V1 BR BUT Motor Cable | Qty: 1
#8. P/N: EP02-001237A Hardness BR BUT Drive ER Short Cable | Qty: 1
#9. P/N: EP02-001394C Hardness BR BUT Relay Cable | Qty: 1 | Remarks: EP02-001394B
