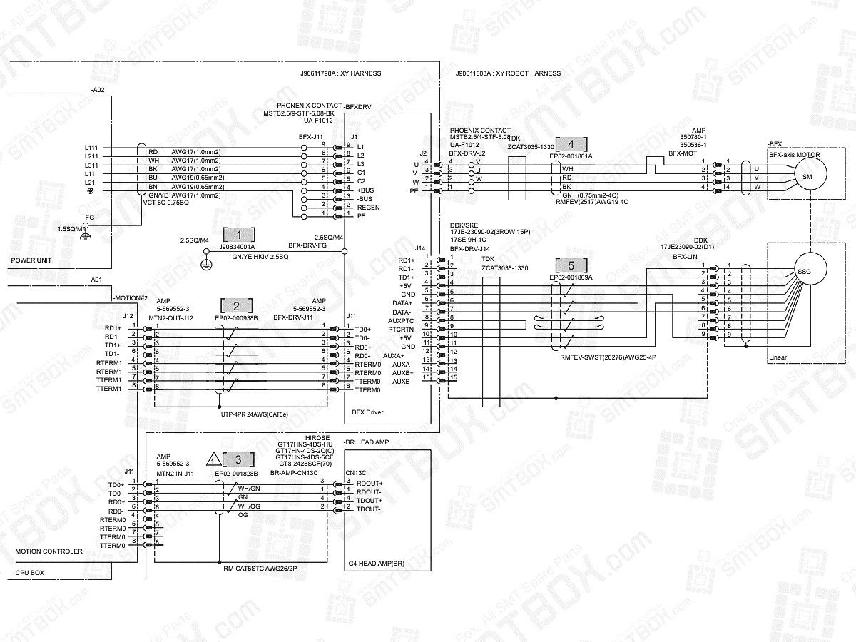
#1. P/N: J90834001A | Part name: Bfx Pe Cable V1 Base 013 | Qty: 1
#2. P/N: EP02-000938B | Part name: Harness Mtn2 Synqnet Cable 1500 | Qty: 1 | Old P/N: EP02-000938A
#3. P/N: EP02-001828B | Part name: Harness Mtn2 Synqnet Out Robot Cable | Qty: 1
#4. P/N: EP02-001801A | Part name: Harness Bfx Motor Pw Cable Assy | Qty: 1
#5. P/N: EP02-001809A | Part name: Harness Bfx Driver Enc Cable Assy | Qty: 1
