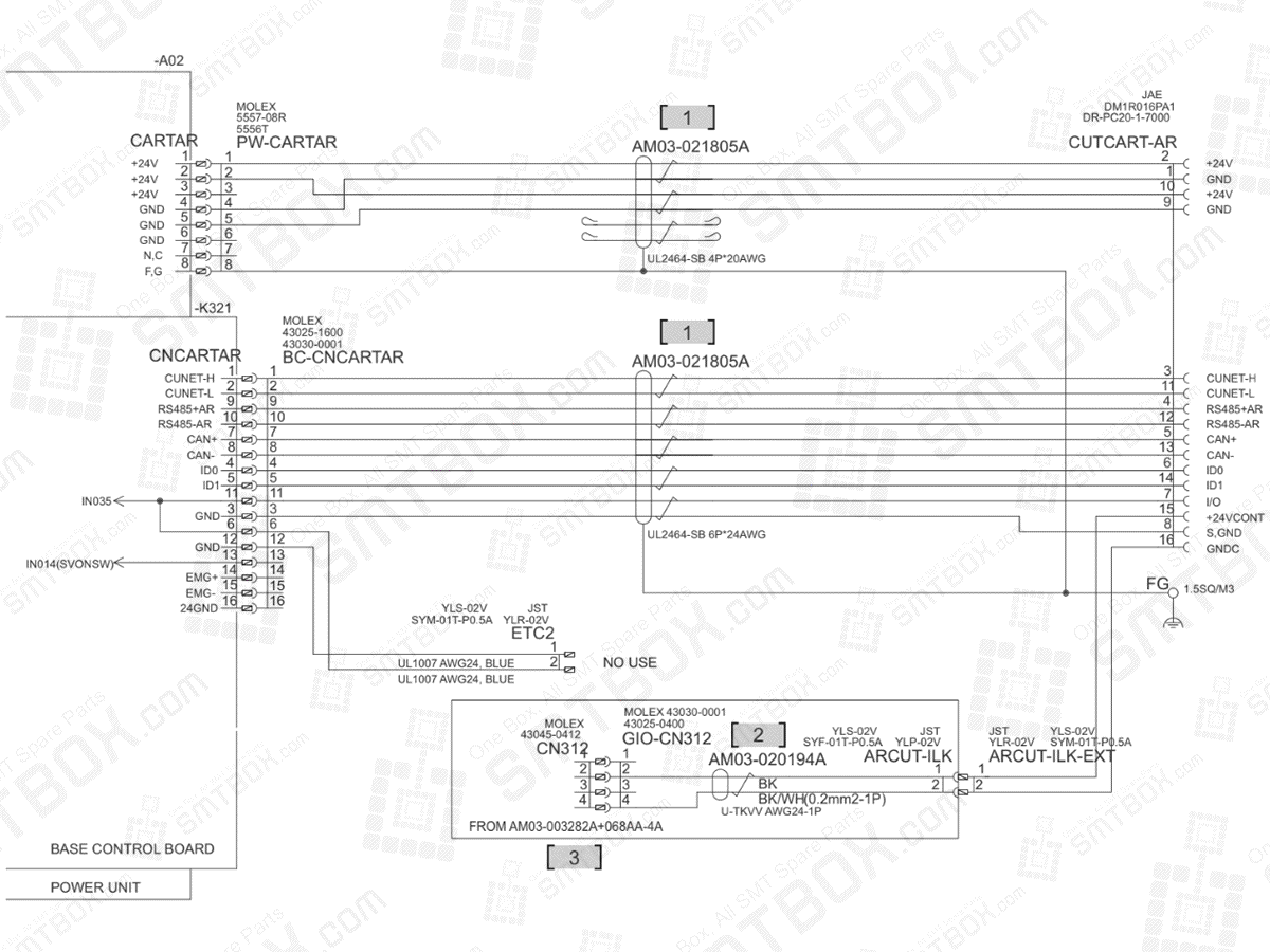
#1. P/N: AM03-021805A | Part name: Cable ASSY-AR Cut Cart Comunicationcable | Qty: 2
#2. P/N: AM03-020194A | Part name: Cable ASSY-AR Cuter Ilk Cable ASSY | Qty: 1
#3. P/N: AM03-003282A | Part name: ASSY Electric HSH V1+ Base Harness | Qty: 1
#1. P/N: AM03-021805A | Part name: Cable ASSY-AR Cut Cart Comunicationcable | Qty: 2
#2. P/N: AM03-020194A | Part name: Cable ASSY-AR Cuter Ilk Cable ASSY | Qty: 1
#3. P/N: AM03-003282A | Part name: ASSY Electric HSH V1+ Base Harness | Qty: 1
