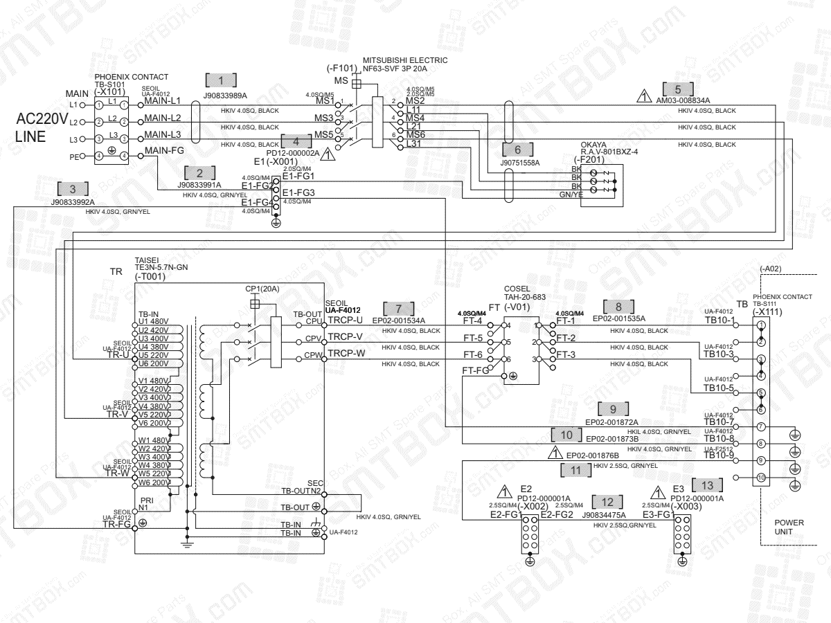
#1. P/N: J90833989A | Part name: Ac220V Input01 Cable V1 Base 001 | Qty: 1
#2. P/N: J90833991A | Part name: Pe Cable01 V1 Base 003 | Qty: 1
#3. P/N: J90833992A | Part name: Trans Pe Cable V1 Base 004 | Qty: 1
#4. P/N: PD12-000002A | Part name: Product Liner Plate Small E Terminal 4 | Qty: 1
#5. P/N: AM03-008834A | Part name: Ac220V Input02 Cable V1 Base 002 | Qty: 1
#6. P/N: J90751558A | Part name: Serge Killer Assy V1 Base 200 | Qty: 1
#7. P/N: EP02-001534A | Part name: Harness V1+ Trans Filter Cable | Qty: 1
#8. P/N: EP02-001535A | Part name: Harness V1+ Filter Power Unit Cable | Qty: 1
#9. P/N: EP02-001872A | Part name: Harness Power Unit Pe Cable | Qty: 1
#10. P/N: EP02-001873B | Part name: Harness Filter Pe Cable | Qty: 1
#11. P/N: EP02-001876B | Part name: Harness Front Earth Plate Cable 01 | Qty: 1
#12. P/N: J90834475A | Part name: Front Rear Earth Plate Cable V1 Base 114 | Qty: 1
#13. P/N: PD12-000001A | Part name: Product Liner Plate Small E Terminal 8 | Qty: 1
