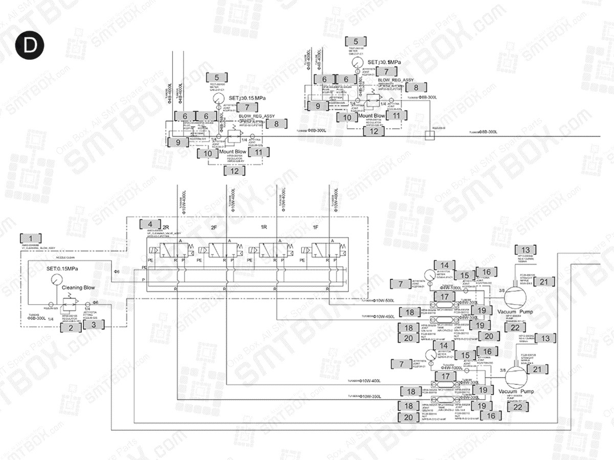
#1. P/N: AM03-004068B | Part name: V1 Cleaning Blow Assy | Qty: 1
#2. P/N: HP09-000105 | Part name: Regulator | Qty: 1
#3. P/N: HP06-900104 | Part name: Fitting | Qty: 1
#4. P/N: AM03-000069 | Part name: Vp_Cleaning_Valve_Assy | Qty: 1
#5. P/N: TE07-000100 | Part name: Meter | Qty: 2
#6. P/N: HP06-000288 | Part name: Plug | Qty: 4
#7. P/N: HP06-900043 | Part name: Joint | Qty: 4
#8. P/N: AM03-000070 | Part name: Vp_Blow_Reg_Assy | Qty: 2
#9. P/N: HP06-900044 | Part name: Joint | Qty: 2
#10. P/N: HP06-900041 | Part name: Joint | Qty: 2
#11. P/N: HP06-900276 | Part name: Joint | Qty: 2
#12. P/N: HP09-000104 | Part name: Regulator | Qty: 2
#13. P/N: HP13-000042 | Part name: N2-4-12X9Mw | Qty: 2
#14. P/N: TE07-900096 | Part name: Meter | Qty: 2
#15. P/N: HP06-900046 | Part name: Joint | Qty: 2
#16. P/N: HP06-900125 | Part name: Joint | Qty: 2
#17. P/N: MC21-000022 | Part name: Tank | Qty: 4
#18. P/N: HP06-000259 | Part name: Joint | Qty: 4
#19. P/N: HP06-000258 | Part name: Joint | Qty: 4
#20. P/N: FC28-000110 | Part name: Nut | Qty: 8
#21. P/N: FC28-000105 | Part name: Straight Nipple | Qty: 2
#22. P/N: HP11-000059 | Part name: Pump | Qty: 2
