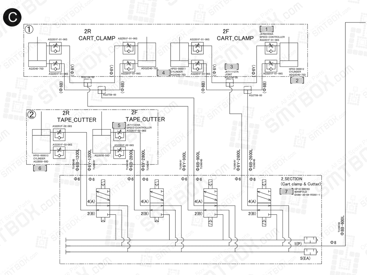
#1. P/N: HP14-900109 | Part name: Speed Controller | Qty: 1
#2. P/N: HP03-000012 | Part name: Cylinder | Qty: 1
#3. P/N: HP06-900018 | Part name: Fitting [Kq2U06-00/Py6M] | Qty: 1 | Old P/N: HP06-900152
#4. P/N: HP03-000011 | Part name: Cylinder | Qty: 1
#5. P/N: HP06-900232 | Part name: Speed Controller | Qty: 1
#6. P/N: HP03-000013 | Part name: Cylinder | Qty: 1
#7. P/N: HP14-000193 | Part name: Solenoid-Sy3120-04-Cjqz1776 | Qty: 1 | Old P/N: EP07-000834
