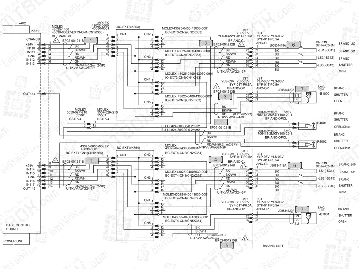
#1. P/N: EP02-001211B | Part name: Harness B Side ANC Sig Cable | Qty: 3
#2. P/N: EP02-001212B | Part name: Harness BF ANC CL Cable | Qty: 1
#3. P/N: EP02-001213B | Part name: Harness BF ANC OP Cable | Qty: 1
#4. P/N: EP02-001214B | Part name: Harness BR ANC CL Cable | Qty: 1
#5. P/N: EP02-001215B | Part name: Harness BR ANC OP Cable | Qty: 1
#6. P/N: AM03-013414A | Part name: ANC Sensor Cable ASSY V1 CONV 027 | Qty: 2 | Old P/N: J90834419A
#7. P/N: J90834420A | Part name: ANC Shutter Close Cylinder V1 CONV 028 | Qty: 2
