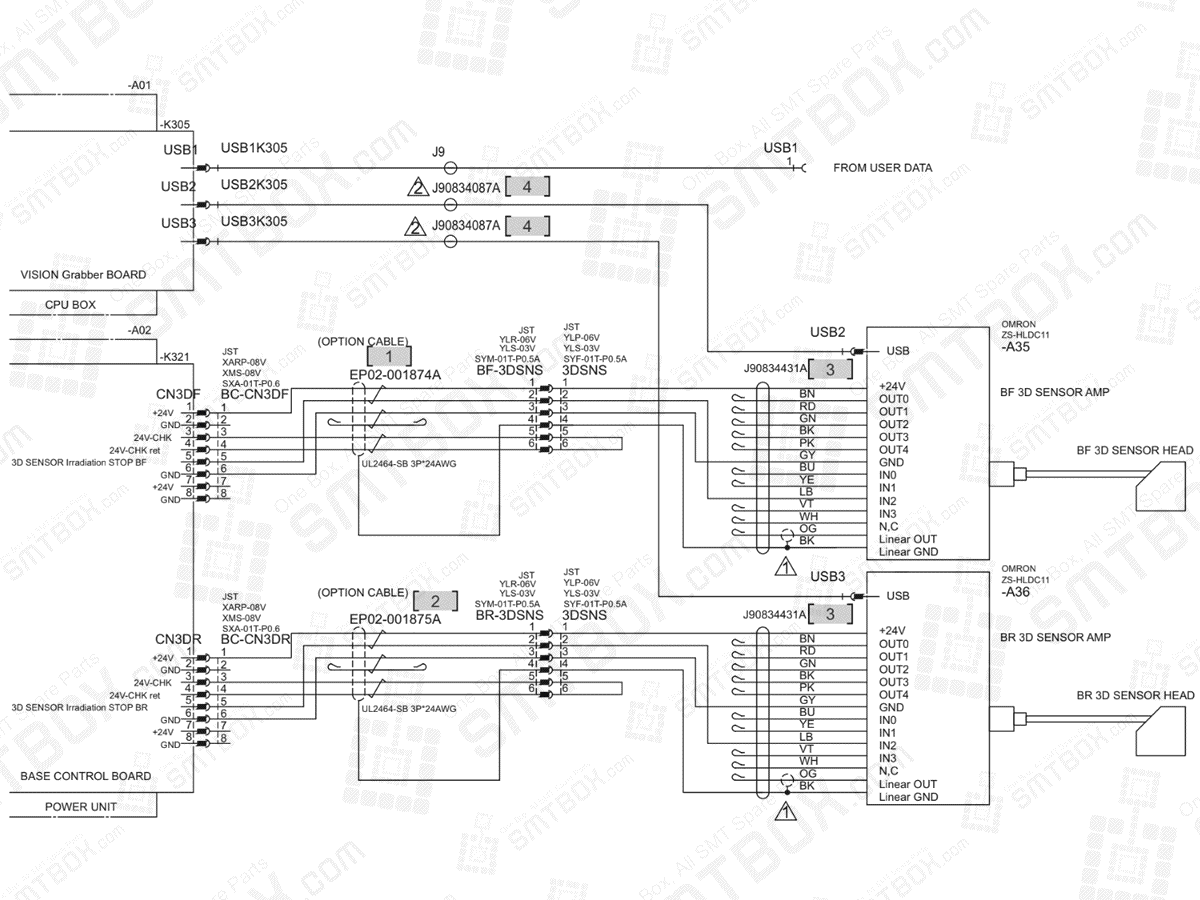
#1. P/N: EP02-001874A | Part name: Harness BF 3D Sensor Signal Cable | Qty: 1
#2. P/N: EP02-001875A | Part name: Harness BR 3D Sensor Signal Cable | Qty: 1
#3. P/N: J90834431A | Part name: 3D Sensor Controller Cable V1 3DSNS 001 | Qty: 2
#4. P/N: J90834087A | Part name: 3D USB Cable V1 3DSNS 002 | Qty: 2
